សេចក្តីផ្តើម
អាដាប់ទ័រធារាសាស្ត្រ 3 ផ្លូវបំបែក ឬភ្ជាប់ខ្សែធារាសាស្ត្របី ដែលជាឧបករណ៍ងាយស្រួលសម្រាប់ប្រព័ន្ធជាច្រើន។ វាត្រូវបានផលិតចេញពីវត្ថុដ៏រឹងមាំ គ្រប់គ្រងសម្ពាធខ្ពស់បានយ៉ាងល្អ និងបញ្ឈប់ការលេចធ្លាយ។ វាសមនឹងផ្នែកនៅក្នុងរោងចក្រ កសិដ្ឋាន និងយានដ្ឋាន។ ងាយស្រួលតំឡើង ត្រូវការការថែទាំតិចតួច និងរក្សាលំហូរទឹកដោយរលូន។ ល្អសម្រាប់ការងារគ្រប់ប្រភេទ វាប្រើប្រាស់បានយូរ។



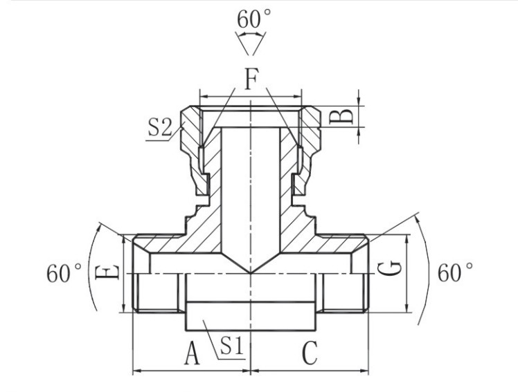
លក្ខណៈបច្ចេកទេស

|
ផ្នែកលេខ |
ខ្សែស្រឡាយ |
វិមាត្រ |
||||||
|
E |
F |
G |
A |
B |
C |
S1 |
S2 |
|
|
BB-02 |
G1/8"X28 |
G1/8"X28 |
G1/8"X28 |
19.8 |
5.5 |
19.8 |
11 |
14 |
|
BB-04 |
G1/4"X19 |
G1/4"X19 |
G1/4"X19 |
24.5 |
5.5 |
24.5 |
14 |
19 |
|
BB-06 |
G3/8"X19 |
G3/8"X19 |
G3/8"X19 |
27.5 |
6.3 |
27.5 |
16 |
22 |
|
BB-08 |
G1/2"X14 |
G1/2"X14 |
G1/2"X14 |
34.5 |
7.5 |
34.5 |
22 |
27 |
|
BB-12 |
G3/4"X14 |
G3/4"X14 |
G3/4"X14 |
40 |
10.9 |
40 |
27 |
32 |
|
BB-20 |
G1.1/4"X11 |
G1.1/4"X11 |
G1.1/4"X11 |
50.5 |
11 |
50.5 |
41 |
50 |
|
BB-24 |
G1.1/2"X11 |
G1.1/2"X11 |
G1.1/2"X11 |
57.5 |
13 |
57.5 |
48 |
55 |
|
BB-32 |
G2"X11 |
G2"X11 |
G2"X11 |
72.5 |
16 |
72.5 |
63 |
70 |
ប៉ារ៉ាម៉ែត្រ/ទិន្នន័យបច្ចេកទេស
|
ដើម |
ZheJiang ប្រទេសចិន |
កាលបរិច្ឆេទចែកចាយ |
អាចចរចារបាន។ |
|
វិញ្ញាបនប័ត្រ |
GB/T19001-2016 idt ISO9001:2015 |
ការវេចខ្ចប់ |
ស្តង់ដារនាំចេញ |
|
សម្ភារៈ |
ដែកថែបកាបូន |
ការធានា |
1 ឆ្នាំ។ |
|
រយៈពេលបង់ប្រាក់ |
TT |
MOQ |
2000 |
|
លក្ខខណ្ឌ |
ថ្មី។ |
ពណ៌ |
ស័ង្កសីពណ៌ស ស័ង្កសីពណ៌ |
អំពីក្រុមហ៊ុន












គុណសម្បត្តិ
គុណភាពខ្ពស់
ក្រុមអ្នកជំនាញរបស់យើងរួមបញ្ចូលគ្នានូវជំនាញបច្ចេកទេសជាមួយនឹងបទពិសោធន៍គ្រប់គ្រង យើងរក្សាការត្រួតពិនិត្យគុណភាពយ៉ាងតឹងរ៉ឹងជាមួយនឹងវិញ្ញាបនប័ត្រវិជ្ជាជីវៈ
បទពិសោធន៍សម្បូរបែប
ត្រូវបានបង្កើតឡើងក្នុងឆ្នាំ 2011 បច្ចុប្បន្នកំពុងនាំចេញទៅកាន់ប្រទេស 40+ ជុំវិញពិភពលោក រួមទាំង៖ សហរដ្ឋអាមេរិក អាល្លឺម៉ង់ ចក្រភពអង់គ្លេស អូស្ត្រាលី រុស្ស៊ី ប្រេស៊ីល កាណាដា និងជាច្រើនទៀតដែលត្រូវបានជឿទុកចិត្តដោយអតិថិជនអន្តរជាតិសម្រាប់សេវាកម្មប្រកបដោយគុណភាព
ជួរផលិតផលទូលំទូលាយ
4 ប្រភេទផលិតផលសំខាន់ៗ៖
ឧបករណ៍ធារាសាស្ត្រ
ជាតិដែកធារាសាស្ត្រ
អាដាប់ទ័រធារាសាស្ត្រ
ឧបករណ៍ភ្ជាប់បំពង់នីឡុង
មានផលិតផលផ្សេងៗគ្នាជាង 100
តម្លៃប្រកួតប្រជែង
យើងផ្តល់ជូននូវផលិតផលដែលមានគុណភាពក្នុងតម្លៃសមរម្យ។ កសាងទំនុកចិត្តពីអតិថិជនយ៉ាងរឹងមាំតាមរយៈ៖
គុណភាពដែលអាចទុកចិត្តបាន។
ការអនុវត្តអាជីវកម្មស្មោះត្រង់
កំណើន 10 ឆ្នាំជាប់លាប់
អតិថិជន-សេវាកម្មផ្តោតលើ
ការពេញចិត្តរបស់អ្នកគឺជាអាទិភាពចម្បងរបស់យើង។ ការឆ្លើយតបរហ័សចំពោះរាល់ការសាកសួរ។ ដំណោះស្រាយប្រកបដោយវិជ្ជាជីវៈសម្រាប់គ្រប់តម្រូវការ
ទីតាំងយុទ្ធសាស្ត្រ
ទីតាំងងាយស្រួលនៅជិត Hangzhou. ការតភ្ជាប់ការដឹកជញ្ជូនដ៏ល្អ។ ការដឹកជញ្ជូនលឿន និងមានប្រសិទ្ធិភាព

សំណួរគេសួរញឹកញាប់
សំណួរ៖ ហេតុអ្វីជ្រើសរើសយើង?
A: យើងបានធ្វើការជាមួយធារាសាស្ត្រអស់រយៈពេល 10 ឆ្នាំ។ ផលិតផលរបស់យើងមានគុណភាពល្អ មកជាមួយការធានារយៈពេល 18-ខែ ហើយយើងដឹកជញ្ជូនយ៉ាងលឿន។ យើងក៏ជួយសន្សំសំចៃផងដែរ ហើយសេវាកម្មបន្ទាប់ពី -លក់របស់យើងគឺគ្មានភាពតានតឹង។
សំណួរ: តើយើងជារោងចក្រឬក្រុមហ៊ុនពាណិជ្ជកម្ម?
A: យើងជារោងចក្រដើមដែលផលិតឧបករណ៍ធារាសាស្ត្រ។ យើងបានផ្តោតលើការបង្កើត និងកែលម្អពួកវាអស់រយៈពេល 10 ឆ្នាំ។
Q: តើត្រូវដឹកជញ្ជូនដល់ពេលណា?
A: ប្រសិនបើយើងមានទំនិញនៅក្នុងស្តុក ជាធម្មតាវាចំណាយពេល 7-15 ថ្ងៃ។ បើមិនដូច្នោះទេ 30-45 ថ្ងៃ - នេះអាស្រ័យលើចំនួនដែលអ្នកបញ្ជាទិញ។
សំណួរ៖ តើត្រូវបង់យ៉ាងដូចម្តេច?
A: បង់ 30% នៅពេលអ្នកបញ្ជាក់ការបញ្ជាទិញ។ បង់ 70% ដែលនៅសល់បន្ទាប់ពីយើងផ្ញើច្បាប់ចម្លងនៃវិក័យប័ត្រទៅអ្នក។
សំណួរ: តើយើងអាចយកគំរូបានទេ? តើពួកគេទំនេរទេ?
A: សម្រាប់ផលិតផលបច្ចុប្បន្នរបស់យើង យើងអាចផ្តល់គំរូ 2 ដោយឥតគិតថ្លៃសម្រាប់ការធ្វើតេស្ត។ ប៉ុន្តែអ្នកត្រូវបង់ប្រាក់សម្រាប់ការដឹកជញ្ជូន។ សម្រាប់ផលិតផលផ្ទាល់ខ្លួន សូមនិយាយជាមួយយើង ដើម្បីរៀបចំផែនការគំរូ។
សំណួរ៖ ចុះបើមានបញ្ហាគុណភាពពេលប្រើ?
A: យើងធានាគុណភាពរយៈពេល 12 ខែ (គិតចាប់ពីថ្ងៃដឹកជញ្ជូន)។ បញ្ហាទាំងអស់ដែលមិនបណ្តាលមកពីមនុស្សត្រូវបានរ៉ាប់រង។
Q: តើអ្វីជាការបញ្ជាទិញតូចបំផុតដែលយើងអាចដាក់?
ចម្លើយ៖ សម្រាប់ផលិតផលនៅក្នុងស្តុក អ្នកអាចទិញបានត្រឹមតែ 1 ប៉ុណ្ណោះ។ សម្រាប់ផលិតផលអស់ពី-នៃ-ស្តុក យើងនឹងបញ្ជាក់ការបញ្ជាទិញតូចបំផុតដោយផ្អែកលើព័ត៌មានលម្អិតអំពីផលិតផល។
Q: តើអ្នកអាចផលិតផលិតផលពីគំនូរបានទេ?
ចម្លើយ៖ បាទ យើងអាចធ្វើបាន។ ប៉ុន្តែយើងត្រូវការតម្រូវការបច្ចេកទេសច្បាស់លាស់ និងស្តង់ដារអត់ធ្មត់។
សំណួរ៖ តើអ្វីទៅជាសេវាកម្មបន្ទាប់ពី-លក់?
ចម្លើយ៖ យើងតាមដានផ្នែកដឹកជញ្ជូនទាំងអស់។ យើងធ្វើបច្ចុប្បន្នភាពអ្នកអំពីកន្លែងដែលទំនិញនៅទីនោះ ហើយពិនិត្យមើលថាតើអ្នករីករាយឬអត់បន្ទាប់ពីអ្នកបានទទួលទំនិញទាំងនោះ។
Q: តើអ្នកពិនិត្យមើលគុណភាពផលិតផលដោយរបៀបណា?
ចម្លើយ៖ យើងមានឧបករណ៍ធ្វើតេស្តប្រកបដោយវិជ្ជាជីវៈ៖ ឧបករណ៍សាកល្បងបាញ់អំបិល ម៉ាស៊ីនតង់ស៊ីតេ ឧបករណ៍តេស្តភាពរឹង។ល។ យើងប្រើវាដើម្បីប្រាកដថាផលិតផលល្អ។
Q: តើអ្នកផ្តល់សេវាកម្ម OEM ទេ?
A: បាទ, យើងធ្វើ។ សូមទាក់ទងមកយើងខ្ញុំសម្រាប់ព័ត៌មានលម្អិត។
សំណួរ៖ តើអ្នកប្រើវេចខ្ចប់ប្រភេទណា?
ចម្លើយ៖ ឥឡូវនេះ យើងប្រើក្រដាសកាតុងធ្វើកេស។ ប៉ុន្តែប្រាប់យើងពីតម្រូវការរបស់អ្នក ហើយយើងនឹងព្យាយាមបំពេញតាមពួកគេ។
Q: តើពេលណាខ្ញុំនឹងទទួលបានតម្លៃ?
A: ជាធម្មតាយើងផ្ញើសម្រង់ក្នុងរយៈពេល 8 ម៉ោងបន្ទាប់ពីយើងទទួលបានសំណួររបស់អ្នកអំពីតម្លៃ។
ស្លាកក្តៅ: អាដាប់ទ័រធារាសាស្ត្រ 3 ផ្លូវ ក្រុមហ៊ុនផលិតអាដាប់ទ័រធារាសាស្ត្រ 3 ផ្លូវប្រទេសចិន រោងចក្រ
