សេចក្តីផ្តើម
អាដាប់ទ័រសមធារាសាស្ត្រគឺជាផ្នែកមួយដែលតភ្ជាប់ផ្នែកធារាសាស្ត្រផ្សេងៗគ្នា។ វាសមយ៉ាងតឹងរឹងដើម្បីបញ្ឈប់ការលេចធ្លាយ។ ផលិតពីវត្ថុធាតុដើមដ៏រឹងមាំ វាអាចទប់ទល់នឹងសម្ពាធខ្ពស់។ វាត្រូវបានប្រើនៅក្នុងម៉ាស៊ីនរោងចក្រ ឧបករណ៍កសិកម្ម និងប្រព័ន្ធធារាសាស្ត្ររថយន្ត។ វាដំណើរការជាមួយផ្នែកជាច្រើន រក្សាសារធាតុរាវឱ្យហូរបានរលូន ងាយស្រួលដាក់ និងត្រូវការការថែទាំតិចតួច។ វាល្អសម្រាប់ការប្រើប្រាស់បានយូរ ដែលធ្វើឱ្យវាក្លាយជាជម្រើសដ៏ឆ្លាតវៃសម្រាប់ការតភ្ជាប់ធារាសាស្ត្រ។



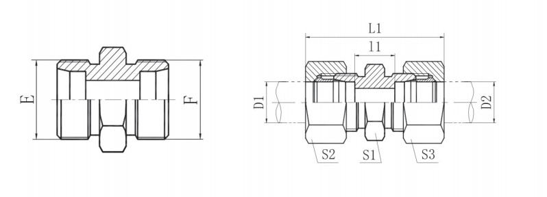
លក្ខណៈបច្ចេកទេស

|
ផ្នែកលេខ |
ខ្សែស្រឡាយ |
បំពង់ OD |
វិមាត្រ |
កម្រិតសម្ពាធ | ||||||
|
E |
F |
D1 |
D2 |
11 |
L1 |
S1 |
S2 |
S3 |
MPa |
|
|
1C-12 |
M12X1.5 |
M12X1.5 |
6 |
6 |
10 |
39 |
12 |
14 |
14 |
31.5 L |
|
1C-14 |
M14X1.5 |
M14X1.5 |
8 |
8 |
11 |
40 |
14 |
17 |
17 |
|
|
1C-18 |
M18X1.5 |
M18X1.5 |
12 |
12 |
14 |
43 |
19 |
22 |
22 |
|
|
1C-22 |
M22X1.5 |
M22X1.5 |
15 |
15 |
16 |
46 |
24 |
27 |
27 |
16 L |
|
1C-26 |
M26X1.5 |
M26X1.5 |
18 |
18 |
16 |
48 |
27 |
32 |
32 |
|
|
1C-30 |
M30X2 |
M30X2 |
22 |
22 |
20 |
52 |
32 |
36 |
36 |
|
|
1C-36 |
M36X2 |
M36X2 |
28 |
28 |
21 |
54 |
41 |
41 |
41 |
|
|
1C-45 |
M45X2 |
M45X2 |
35 |
35 |
20 |
63 |
46 |
50 |
50 |
|
|
1C-52 |
M52X2 |
M52X2 |
42 |
42 |
21 |
66 |
55 |
60 |
60 |
63 S |
|
1D-14 |
M14X1.5 |
M14X1.5 |
6 |
6 |
16 |
45 |
14 |
17 |
17 |
|
|
1D-16 |
M16X1.5 |
M16X1.5 |
8 |
8 |
18 |
47 |
17 |
19 |
19 |
|
|
1D-18 |
M18X1.5 |
M18X1.5 |
10 |
10 |
17 |
49 |
19 |
22 |
22 |
|
|
1D-20 |
M20X1.5 |
M20X1.5 |
12 |
12 |
19 |
51 |
22 |
24 |
24 |
|
|
1D-22 |
M22X1.5 |
M22X1.5 |
14 |
14 |
22 |
57 |
24 |
27 |
27 |
|
|
1D-24 |
M24X1.5 |
M24X1.5 |
16 |
16 |
21 |
57 |
27 |
30 |
30 |
|
|
1D-30 |
M30X2 |
M30X2 |
20 |
20 |
23 |
66 |
32 |
36 |
36 |
40 S |
|
1D-36 |
M36X2 |
M36X2 |
25 |
25 |
26 |
74 |
41 |
46 |
46 |
|
|
1D-42 |
M42X2 |
M42X2 |
30 |
30 |
27 |
80 |
46 |
50 |
50 |
|
|
1D-52 |
M52X2 |
M52X2 |
38 |
38 |
29 |
90 |
55 |
60 |
60 |
|
ប៉ារ៉ាម៉ែត្រ/ទិន្នន័យបច្ចេកទេស
|
ដើម |
ZheJiang ប្រទេសចិន |
កាលបរិច្ឆេទចែកចាយ |
អាចចរចារបាន។ |
|
វិញ្ញាបនប័ត្រ |
GB/T19001-2016 idt ISO9001:2015 |
ការវេចខ្ចប់ |
ស្តង់ដារនាំចេញ |
|
សម្ភារៈ |
ដែកថែបកាបូន |
ការធានា |
1 ឆ្នាំ។ |
|
រយៈពេលបង់ប្រាក់ |
TT |
MOQ |
2000 |
|
លក្ខខណ្ឌ |
ថ្មី។ |
ពណ៌ |
ស័ង្កសីពណ៌ស ស័ង្កសីពណ៌ |
អំពីក្រុមហ៊ុន












គុណសម្បត្តិ
គុណភាពខ្ពស់
យើងមានក្រុមជំនាញដែលមានចំណេះដឹងបច្ចេកទេស និងបទពិសោធន៍ក្នុងការគ្រប់គ្រង។ ក្រុមហ៊ុនរបស់យើងបានឆ្លងកាត់ការបញ្ជាក់ប្រព័ន្ធគុណភាពប្រកបដោយវិជ្ជាជីវៈ។
បទពិសោធន៍កាន់តែសម្បូរបែប
យើងត្រូវបានបង្កើតឡើងក្នុងឆ្នាំ 2011។ រហូតមកដល់ពេលនេះ ផលិតផលរបស់យើងត្រូវបាននាំចេញទៅកាន់ប្រទេសជាង 40 ដូចជា រុស្ស៊ី អូស្ត្រាលី សហរដ្ឋអាមេរិក ចក្រភពអង់គ្លេស អាល្លឺម៉ង់ រូម៉ានី ម៉ិកស៊ិក ប្រេស៊ីល ឈីលី កាណាដា អេស្ប៉ាញ កូឡុំប៊ី ជាដើម យើងអាចផ្តល់សេវាកម្មខ្ពស់ដល់អតិថិជនរបស់យើង។
ផលិតផលផ្សេងៗ
សម្របទៅនឹងតម្រូវការផ្សេងៗ។ យើងមានផលិតផលស៊េរីចំនួន 4 សរុបជាងមួយរយពូជ ផ្តោតលើការបំពាក់ធារាសាស្ត្រ ធារាសាស្ត្រ ferrule អាដាប់ធ័រធារាសាស្ត្រ និងសមបំពង់នីឡុង។ ដើម្បីផ្តល់ឱ្យអ្នកនូវជម្រើសដ៏ធំទូលាយមួយ។
ប្រាក់ចំណេញតិចតួច
ភាពខ្លាំងរបស់ក្រុមហ៊ុនរបស់យើង ឥណទានឡើងវិញ រក្សាកិច្ចសន្យា ដើម្បីធានាគុណភាពផលិតផល បានទទួលការជឿទុកចិត្តពីអតិថិជនក្រោមគោលការណ៍នៃប្រភេទផ្សេងៗ និងតម្លៃទាប។ សូមស្វាគមន៍អតិថិជនចាស់ និងថ្មី ទាំងក្នុងស្រុក និងក្រៅស្រុក ទូរស័ព្ទមក ឬមកក្រុមហ៊ុនយើងខ្ញុំ ដើម្បីប្រឹក្សា និងចរចា។ ការលក់បន្តកើនឡើង 10 ឆ្នាំ។
សេវាកម្មល្អបំផុត
ការពេញចិត្តរបស់អតិថិជនគឺតែងតែជាកង្វល់អាទិភាពរបស់ម៉ាស៊ីន FeiKe យើងមានឆន្ទៈក្នុងការដោះស្រាយបញ្ហាណាមួយ។ យើងនឹងឆ្លើយសំណួរទាំងអស់ដែលបានសួរ ជួយអ្នករាល់គ្នាដែលត្រូវការ និងឆ្លើយតបរាល់ការអធិស្ឋាន។
ទីតាំងល្អឥតខ្ចោះ
មានទីតាំងនៅជិតទីក្រុង Hangzhou យើងរីករាយនឹង-ប្រព័ន្ធដឹកជញ្ជូន និងភស្តុភារដែលត្រូវបានអភិវឌ្ឍយ៉ាងល្អ ដែលជួយសម្រួលដល់ការដឹកជញ្ជូនទំនិញដោយរលូន។

សំណួរគេសួរញឹកញាប់
Q: ហេតុអ្វីបានជាអ្នកគួរជ្រើសរើសយើង?
A: យើងជាអ្នកឯកទេសខាងធារាសាស្ត្រដែលអាចទុកចិត្តបានជាមួយនឹងបទពិសោធន៍ 10 ឆ្នាំ។ ផលិតផលរបស់យើងមានគុណភាព-ខ្ពស់ មកជាមួយការធានារយៈពេល 18-ខែ និងដឹកជញ្ជូនយ៉ាងលឿន។ យើងក៏ផ្តល់ជូននូវការសន្សំថ្លៃដើម និងការគាំទ្រក្រោយការលក់ដែលអាចទុកចិត្តបាន។
សំណួរ៖ តើអ្នកជារោងចក្រ ឬក្រុមហ៊ុនពាណិជ្ជកម្ម?
A: យើងគឺជារោងចក្រផ្ទាល់ដែលផលិតឧបករណ៍ធារាសាស្ត្រដែលមានឯកទេសក្នុងការផលិតនិង R&D អស់រយៈពេលជាង 10 ឆ្នាំ។
Q: តើពេលវេលាដឹកជញ្ជូនរបស់អ្នកគឺជាអ្វី?
A៖ សម្រាប់ក្នុង-ទំនិញក្នុងស្តុក៖ 7-15 ថ្ងៃ។
សម្រាប់-នៃ-ទំនិញក្នុងស្តុក៖ 30-45 ថ្ងៃ (អាស្រ័យលើបរិមាណបញ្ជាទិញ)។
Q: តើលក្ខខណ្ឌបង់ប្រាក់របស់អ្នកគឺជាអ្វី?
A: ការដាក់ប្រាក់ 30% បន្ទាប់ពីការបញ្ជាក់ការបញ្ជាទិញ 70% សមតុល្យមុនពេលដឹកជញ្ជូន។
Q: តើអ្នកផ្តល់គំរូទេ?
A: ផលិតផលស្តង់ដារ: 2 គំរូឥតគិតថ្លៃ (អតិថិជនបង់ថ្លៃដឹកជញ្ជូន) ។
ផលិតផលផ្ទាល់ខ្លួន៖ ទាក់ទងមកយើងដើម្បីពិភាក្សាពីជម្រើសគំរូ។
សំណួរ៖ ចុះបើមានបញ្ហាគុណភាព?
ចម្លើយ៖ ក្នុងរយៈពេល 12 ខែបន្ទាប់ពីការចែកចាយ យើងរ៉ាប់រងរាល់ការខូចខាតដែលមិនមែនជា-របស់មនុស្ស។
Q: តើបរិមាណបញ្ជាទិញអប្បបរមារបស់អ្នក (MOQ) គឺជាអ្វី?
A: ផលិតផលស្តង់ដារ: គ្មាន MOQ (ទិញសូម្បីតែ 1 ដុំ) ។
ផលិតផលផ្ទាល់ខ្លួន: MOQ អាស្រ័យលើព័ត៌មានលម្អិតនៃផលិតផល។
Q: តើអ្នកអាចផលិតផលិតផលដោយផ្អែកលើគំនូររបស់ខ្ញុំបានទេ?
ចម្លើយ៖ បាទ យើងអាចធ្វើបាន។ សូមផ្តល់គំនូរពេញលេញជាមួយនឹងតម្រូវការបច្ចេកទេស។
សំណួរ៖ តើអ្វីបន្ទាប់ពី-សេវាកម្មលក់ដែលអ្នកផ្តល់ជូន?
ចម្លើយ៖ យើងតាមដានការដឹកជញ្ជូនតាមពេលវេលាពិត- និងតាមដានដើម្បីធានាការពេញចិត្តរបស់អតិថិជន។
Q: តើអ្នកពិនិត្យមើលគុណភាពផលិតផលដោយរបៀបណា?
A: យើងប្រើការធ្វើតេស្តប្រកបដោយវិជ្ជាជីវៈ (បាញ់អំបិល កម្លាំង tensile រឹង។ល។) សម្រាប់ការត្រួតពិនិត្យគុណភាពយ៉ាងតឹងរឹង។
Q: តើអ្នកផ្តល់សេវាកម្ម OEM ទេ?
A: បាទ, យើងធ្វើ។ សូមទាក់ទងមកយើងខ្ញុំសម្រាប់ព័ត៌មានលម្អិត។
Q: តើអ្នកប្រើវេចខ្ចប់អ្វី?
A: ស្តង់ដារ: ប្រអប់ក្រដាសកាតុងធ្វើកេស។ ការវេចខ្ចប់ផ្ទាល់ខ្លួនអាចរកបានតាមការស្នើសុំ។
Q: តើខ្ញុំអាចទទួលបានតម្លៃប៉ុន្មាន?
A: យើងឆ្លើយតបក្នុងរយៈពេល 8 ម៉ោងបន្ទាប់ពីទទួលបានការសាកសួររបស់អ្នក។
ស្លាកក្តៅ: អាដាប់ទ័រសមធារាសាស្ត្រ, ក្រុមហ៊ុនផលិតអាដាប់ទ័រសមធារាសាស្ត្រប្រទេសចិន រោងចក្រ
